天天鲁天天爱天天鲁天天,天天爱天天做天天爽歪歪,天天爱天天做天天爽,天天爱天天做天天躁,天天做天天爱天天做天天吃中,天天天天躁天天爱天天碰,天天拍天天爱天天做,天天爱天天草天天,天天做天天大爽天天爱

熱銷產品:插入式/外夾式/管道式超聲波流量計、鹽酸流量計、硫酸流量計、汽油流量計、天然氣流量計、明渠流量計、液體/氣體質量流量計
現場過程儀表提供**解決方案與服務的企業 7*24小時在線售后,24小時內及時響應,解決客戶后顧之憂
全國咨詢熱線:18936754333
當前位置:首頁>>產品中心>>壓力表系列

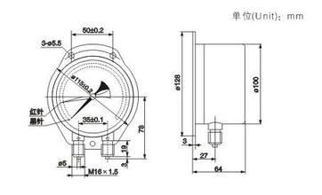
雙針壓力表

YZS-102雙針壓力表主要用于機車車輛上用來測量液壓系統或儲氣缸的壓力,也可用于對銅合金、錫鉛合金釬焊無腐蝕性,非結晶和凝固的各種介質的壓力測量。雙針壓力表可同時測量兩個相同或不相同(兩者之差一般應不大于標度范圍上的限制的1/3)的壓力。雙針壓力表結構原理1、雙針壓力表由兩套各自獨立的測量系統和

在線預約
產品詳情PRODUCT DETAILS

    YZS-102雙針壓力主要用于機車車輛上用來測量液壓系統或儲氣缸的壓力,也可用于對銅合金、錫鉛合金釬焊無腐蝕性,非結晶和凝固的各種介質的壓力測量。雙針壓力表可同時測量兩個相同或不相同(兩者之差一般應不大于標度范圍上的限制的1/3)的壓力。
雙針壓力結構原理
1、雙針壓力表由兩套各自獨立的測量系統和指示裝置等組成。
2、雙針壓力表的工作原理是基于彈性元件(測量系統中的彈簧管)的彈性變形。即在被測介質的壓力作用下,迫使兩彈簧管之末端各自產生相應的位移,借助于拉桿經此輪傳動機構的傳動并予放大,由固定于此輪軸上的紅、黑指針將兩個被測值分別在刻度盤上指示出來
。

11.jpg

雙針壓力主要技術指標

型號

精度等級

使用環境條件

溫度影響

測量范圍(Kpa)

YZS-102

1.5

5~60℃,相對濕度不大于80%

使用溫度如偏離20±5℃時,其溫度附加誤差不大于0.4%10℃

0~1000  0~1200
0~1600  0~2500


標簽:
成功案例
在線客服
聯系方式

售前電話

18936754333

售后電話

0517-86904668

上班時間

周一到周五

二維碼